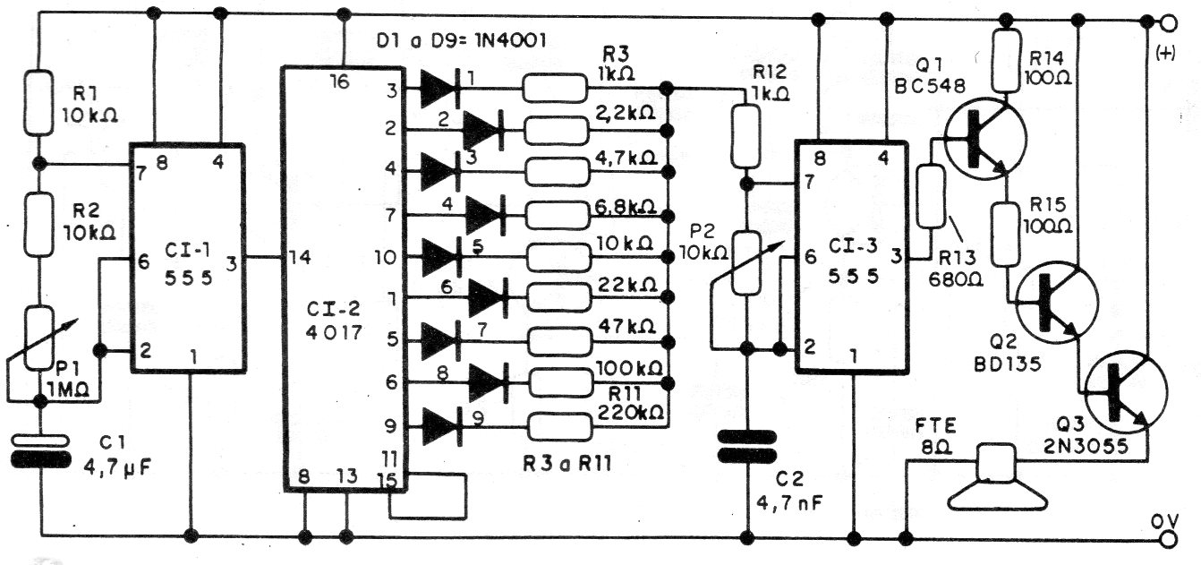
Este circuito se obtuvo en una publicación de 1993. Se trata de una sirena o circuito de efecto de sonidos, donde el sonido cambia secuencialmente por el accionamiento de un 4017. La frecuencia central del efecto se ajusta en P1 y la velocidad del efecto se ajusta en P1. El circuito debe ser alimentado por fuente de buena corriente, pues la potencia es elevada gracias al 2N3055 en la salida. Este transistor debe montarse en un buen disipador de calor.




