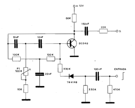
Un pulso de entrada en este circuito hace que se produzca el sonido de un bongô. La amortiguación que da el efecto se ajusta en P1. El pulso de 3,3 V o 5 V es generado por un microcontrolador y debe tener su duración experimentada para obtener los efectos deseados. Los capacitores del doble T determinan el timbre. Estos componentes pueden ser alterados, manteniéndose la proporción. El circuito se puede utilizar en un generador de ritmo o batería microcontrolada. Si bien el consumo es bajo y la señal se debe aplicar a un amplificador, la alimentación debe separarse con una batería de 9 V o una fuente.




