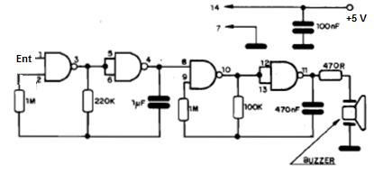
Este circuito imita el sonido de un grillo, con frecuencia y efecto dado por los capacitores (que pueden ser alterados). El transductor es una cápsula piezoeléctrica sin oscilador (común). La alimentación se puede realizar con pilas o batería ya que el consumo es muy bajo. El circuito integrado puede ser el 4011 o el 4001. El circuito debe ser alimentado por 5 V, que puede obtenerse del propio microcontrolador y la señal de control se obtiene de las salidas de 5 V (Shield).




