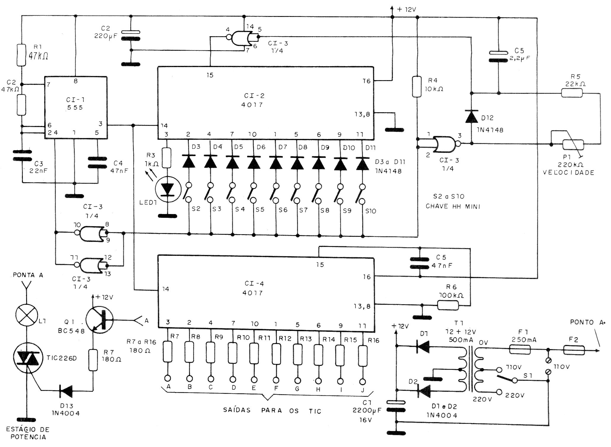
Las salidas de este circuito secuencial de 1993 deben aplicarse a la etapa de potencia, por ejemplo, utilizando SCR o triacs para el accionamiento de lámparas incandescentes. Ejemplo de una etapa de potencia se da junto con el diagrama. El triac de cada canal debe estar dotado de radiador de calor.




