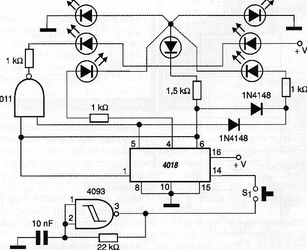
Una aplicación recreativa del 4018 se muestra en la figura en que tenemos un dato electrónico. Cada uno de los 4018 excita 7 LEDs que están dispuestos en una configuración que recuerda la cara de un dado. Dos puertas de un 4011 complementan el circuito para obtener la configuración necesaria a los efectos deseados. El reloj se obtiene de un 555 que produce un número aleatorio de pulsos cuando se activa el interruptor de presión. Cuando este interruptor se suelta, los LED se detendrán en una configuración que depende del número de pulsos y, por lo tanto, es imprevisible. La alimentación del circuito se puede realizar con 4 pilas o batería de 9 V. Véase que los 4018 se conectan para formar contadores hasta, ya que éste es el número de caras de un dado. Véase también que el segundo módulo es excitado por el primero para asegurarse de que el recuento no sea el mismo número de ciclos para cada uno.




