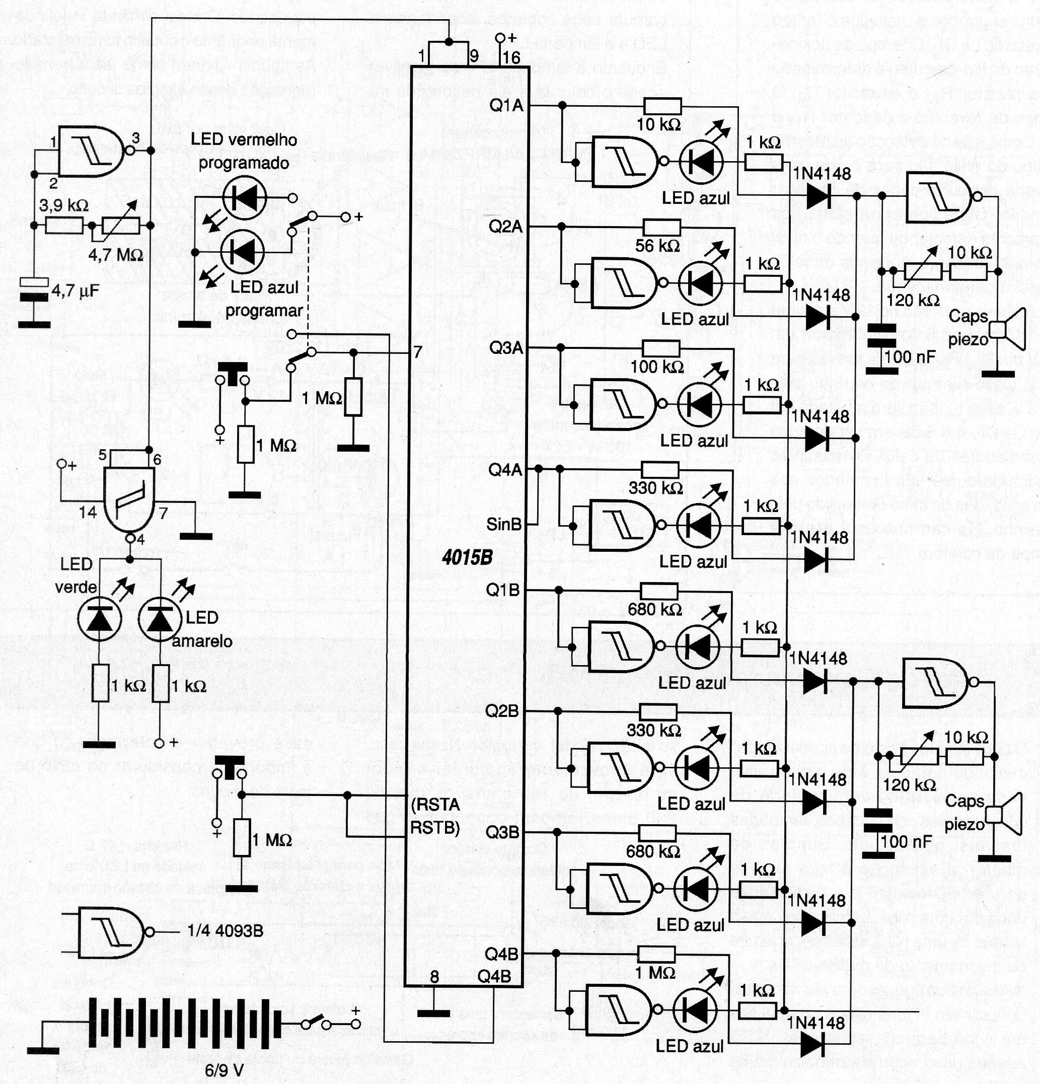
Los tonos de este circuito se determinan por los resistores de realimentación en los osciladores con el 4093. El circuito tiene un pequeño altavoz en la reproducción, pero se puede utilizar un paso externo para una mayor potencia de audio. El circuito es de una documentación de 2006.




