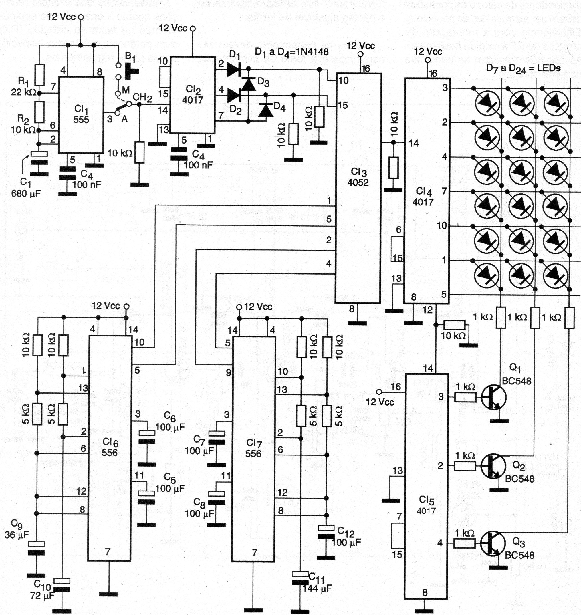
El circuito es indicado para pequeñas animaciones, siendo el efecto de movimiento de los LEDs en una matriz determinada por el reloj con el circuito integrado 555. Ese efecto puede tener su velocidad modificada cambiando el resistor R1 de 22k por un resistor de 4 k7 en serie con un trimpot de 100k. El circuito integrado regulador de tensión debe estar dotado de un disipador de calor. La llave C H2 hace el cambio del efecto de manual a automático. CI-6 y CI-7 también actúan sobre la frecuencia del efecto pudiendo tener los valores de los componentes alterados. Los LED pueden ser de cualquier color y deben montarse para formar una matriz.




