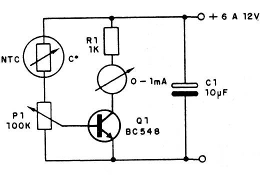
EI NTC debe presentar a la temperatura ambiente una resistencia entre 30k y 100k. EI potenciômetro P1 es para ajustar la sensibilidad. EI instrumento de 0-1 mA puede sustituirse por un VUmetro de 200 µA si se cambia el resistor R1 por uno de 3k3 o 4k7.

Termometro Electrónico



