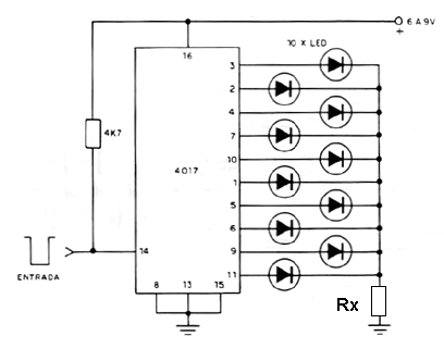
A cada pulso de entrada un LED el LED que estaba encendido apaga y el siguiente se enciende, hasta el final cuando entonces el último apaga y el primero se enciende. Se recomienda una resistencia de 470 ohms (6 V) o 1 k (12) en la conexión a tierra (Rx). Este circuito puede ser utilizado en una salida de microcontrolador para hacer el conteo de los pulsos de manera externa, sin programación interna. La alimentación para este uso se puede hacer con 3 o 5 V y Rx puede ser de 120 ohmios a 3 V y 220 ohmios a 5 V. Vea que la cuenta se realiza en las transiciones negativas del pulso.




