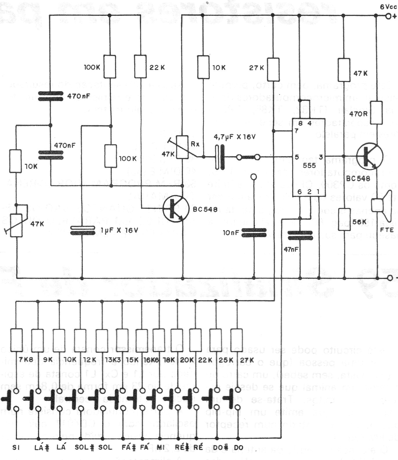
Encontramos este circuito en una revista de 1987, pero el uso de componentes aún comunes permite su montaje incluso en nuestros días. El circuito tiene 12 notas y un paso amplificador para los sonidos alimentando un pequeño altavoz. La afinación depende de la precisión de los resistores que eventualmente pueden ser sustituidos por trimpots. La alimentación puede ser hecha por fuente o pilas.




