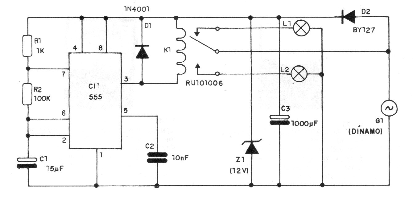
Hemos encontrado este parpadeante intermitente convencional accionando un relé en una documentación de 1987. El circuito hace que las lámparas parpadeen alternativamente a una velocidad que depende de R1 y R2, pero se pueden hacer adaptaciones para el uso de LED. El relé es de 6 V con una corriente de 50 mA de bobina.




