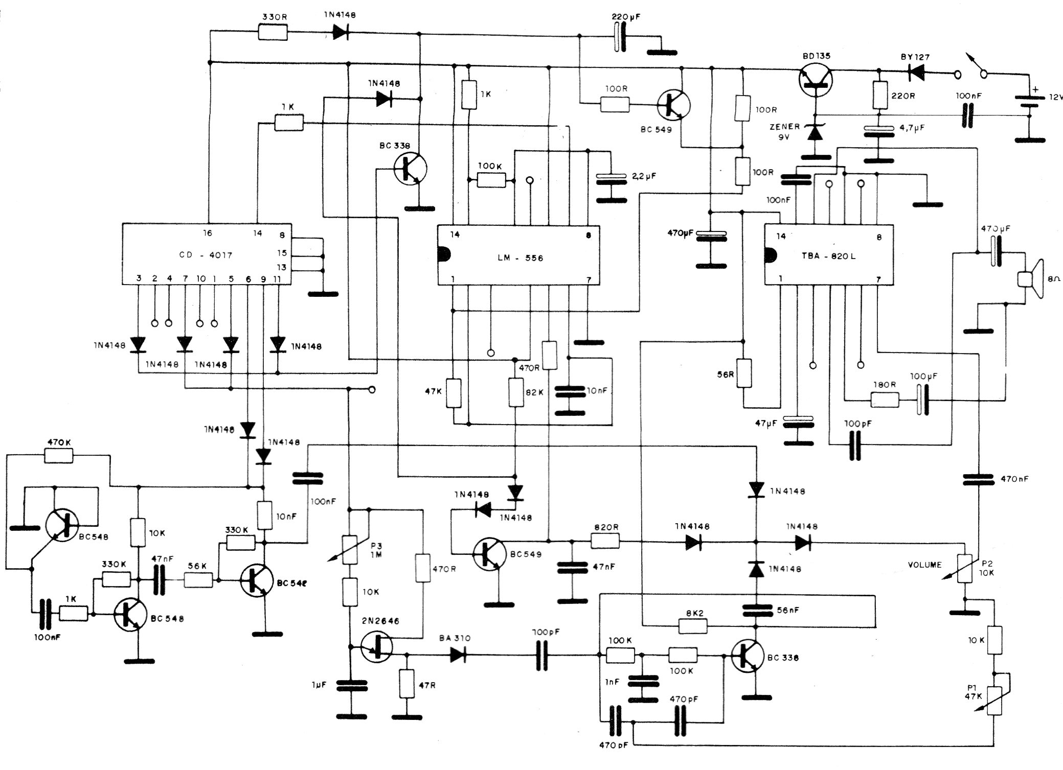
Encontramos este circuito en una publicación de 1987. Su finalidad es producir un sonido semejante al mugido de una vaca reproducida en un altavoz. El circuito es alimentado por una tensión de 12 V que puede venir de pilas, batería o de una fuente. Para mayor realismo, la señal de salida se puede aplicar a un amplificador de mayor potencia. Los ajustes llevan el circuito al mejor efecto.




