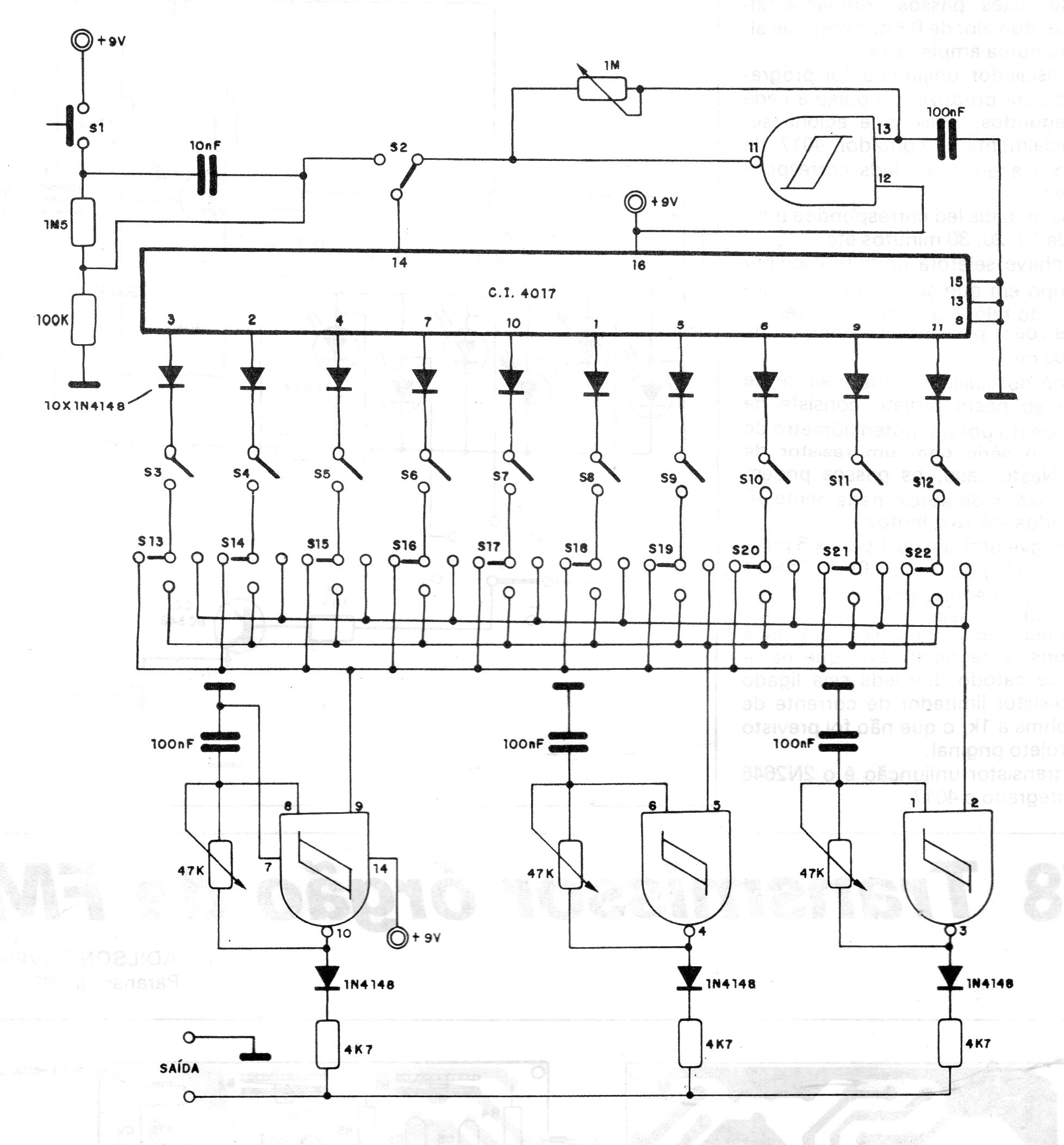
Encontramos este circuito en una documentación de 1987, pero todavía se puede montar fácilmente. Su salida debe ser aplicada a un buen amplificador y los sonidos son programados por las llaves. La alimentación puede ser hecha con tensiones de 6 a 12 V y alteraciones en los efectos pueden ser obtenidas con el cambio de los capacitores.




