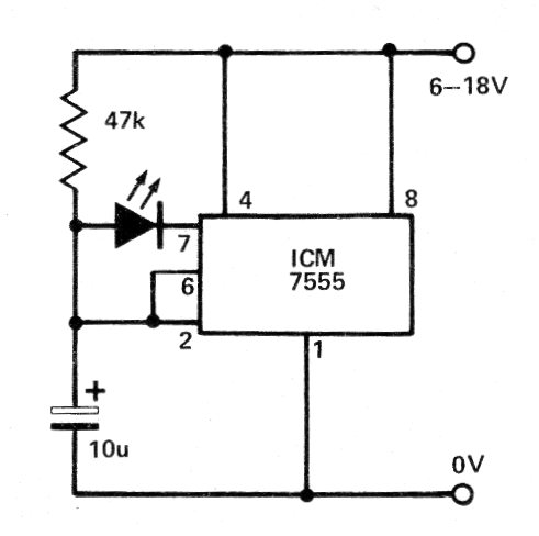
Este circuito hace que un LED parpadee a una frecuencia determinada por el capacitor. El circuito presenta un consumo extremadamente bajo, pudiendo ser alimentado por tensiones de 6 a 18 V. El circuito es de una publicación de 1981. El 555 común puede ser usado en lugar de la versión CMOS, pero el consumo será ligeramente aumentado.




