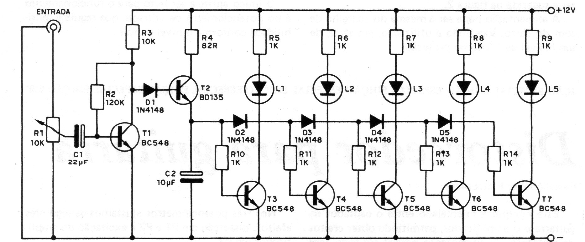
Encontramos este circuito transistorizado en una documentación de 1985. El circuito puede funcionar con tensiones de 9 a 12 V y el ajuste del punto de funcionamiento o sensibilidad de entrada se realiza en P1. El circuito acciona de modo bargraph un conjunto de LED.




