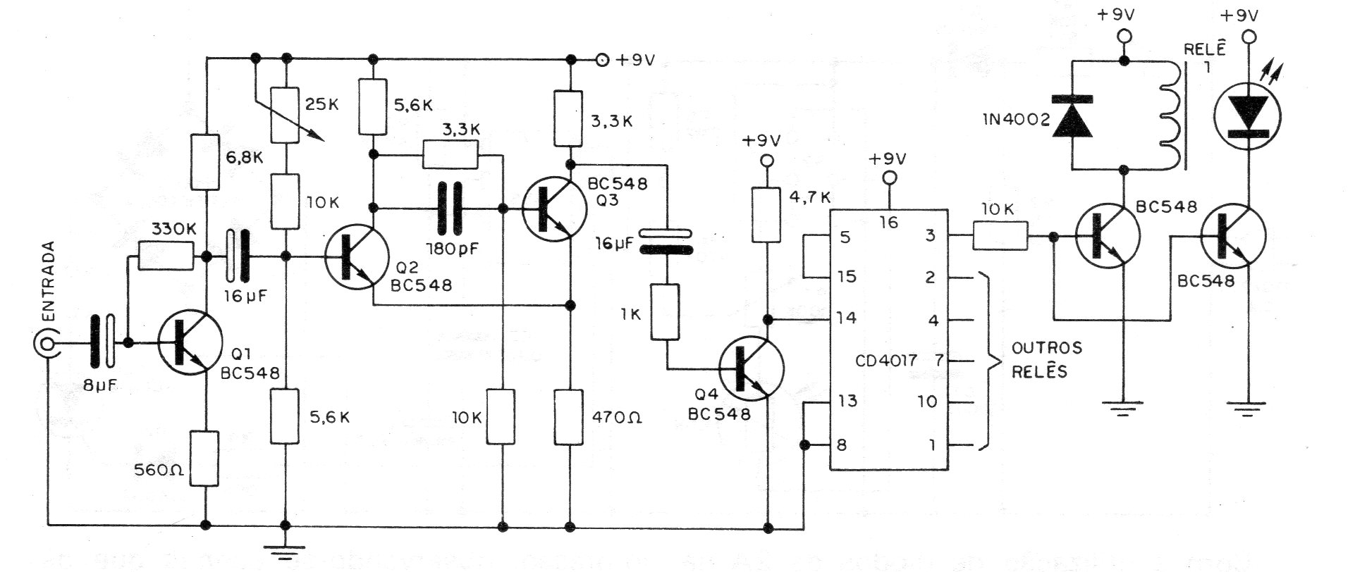
Encontramos este circuito en una publicación de 1982, pero todos los componentes usados son todavía comunes en nuestro mercado. Los relés deben ser de 6 o 12 V según la alimentación, ya que los tipos de 9 V indicados no son más comunes. La velocidad del efecto se ajusta en P1.




