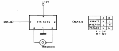
El circuito integrado STK6960 utilizado en esta aplicación no es muy común, pero si lo encuentra puede controlar pequeños motores de 12 V con corriente hasta 0,5 A con facilidad. En la tabla al lado del esquema tenemos los niveles lógicos para el control, recordando que el nivel alto debe ser hecho con una tensión de 12 V. El mismo efecto de este circuito puede ser obtenido con puentes H, y diversos esquemas de estos puentes están disponibles en la sección De mecatrónica del sitio. El circuito se puede usar como shield para microcontroladores.




