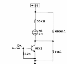
Este circuito, de una documentación de 1977, utiliza un transistor NPN poco común. Pueden utilizarse equivalentes modernos de alta tensión con la misma finalidad.

Este circuito, de una documentación de 1977, utiliza un transistor NPN poco común. Pueden utilizarse equivalentes modernos de alta tensión con la misma finalidad.
