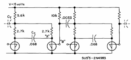
El componente utilizado es una llave unilateral de silicio (SUS) y el circuito es del manual de componentes de GE de 1977. El circuito es de baja velocidad.

El componente utilizado es una llave unilateral de silicio (SUS) y el circuito es del manual de componentes de GE de 1977. El circuito es de baja velocidad.
