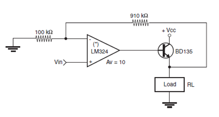
En este circuito mostramos cómo utilizar un operacional LM324 o equivalente para excitar una carga de potencia, hasta 500 mA, con el transistor usado. La entrada de excitación se hace en Vin y la ganancia de tensión del circuito es de 10 veces. Se pueden utilizar transistores de mayor potencia. El circuito es del libro Robotics, Mechatronics and Artificial Intelligence de Newton C. Braga, publicado en los Estados Unidos.




