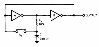
La configuración mostrada en la figura permite implementar una llave sin repique con tecnología CMOS o TTL. El circuito es biestable con una acción determinada por el resistor y el capacitor. La alimentación depende de la lógica empleada.

La configuración mostrada en la figura permite implementar una llave sin repique con tecnología CMOS o TTL. El circuito es biestable con una acción determinada por el resistor y el capacitor. La alimentación depende de la lógica empleada.
