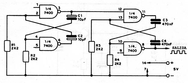
La frecuencia básica del sonido producido está determinada por C3 y C4. La frecuencia de modulación está dada por C1 y 02. La serial de baja intensidad debe aplicarse en una etapa amplificadora de potencia. La alimentación es de 5V ya que se usa un integrado TTL.

Sirena de Dos Tonos



