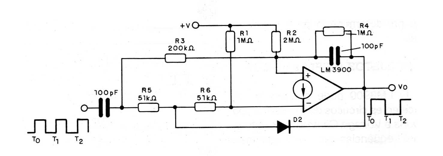
Una configuración que se puede utilizar para hacer la división de frecuencia, y que utiliza sólo un amplificador de corriente, se muestra en la figura. La división de frecuencia se obtiene porque el flip-flop sólo conmuta en el pulso de ascenso de la entrada, permaneciendo en el mismo estado en las bajadas.




