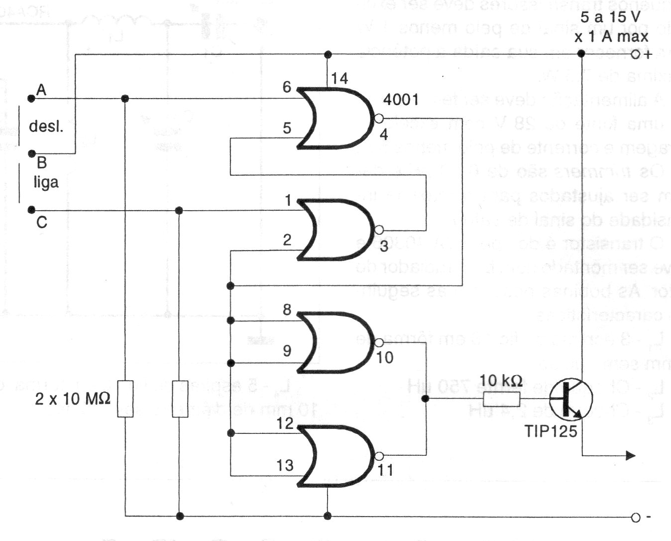
Este circuito puede ser usado en el control directo de cargas de corriente continua o cargas mayores de corriente alterna con el uso de un relé. El transistor eventualmente debe estar dotado de disipador si la carga es de más de 500 mA. La alimentación se puede realizar con tensiones de 5 a 12 V según la carga controlada. No utilice fuentes sin transformadores si los sensores son de toque.




