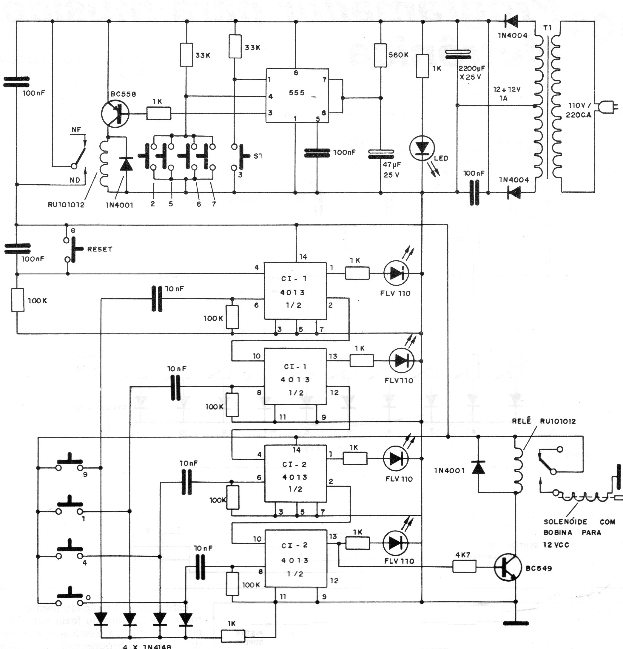
Esta clave digital con circuitos CMOS se encontró en una publicación de 1987, pero se puede montar fácilmente. El circuito tiene los tiempos programados por las llaves. Los relés usados deben ser de 12 V con corriente de acuerdo con la carga. El transformador es de 12 + 12 V con 1 A o incluso 9 + 9 V.




