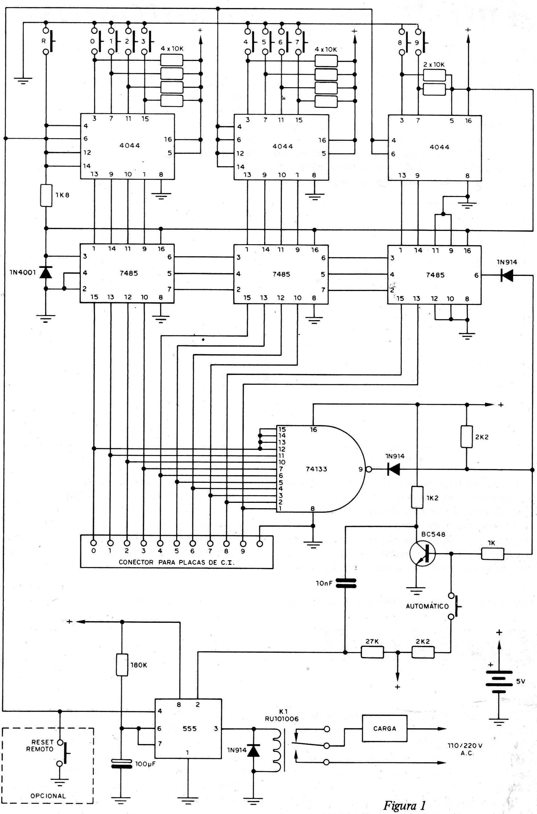
Este circuito acciona una salida, que puede ser una cerradura, sólo cuando una placa que contiene el código programado se inserta en una ranura. El accionamiento es por un tiempo programado por el 555. El relé es de 6 V con alimentación separada y el circuito funciona con 5 V. Encontramos este circuito en una publicación de 1985.




