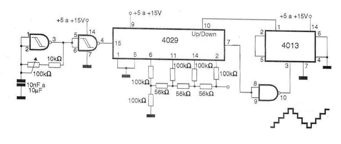
Un circuito básico interesante para proyectos es el mostrado en la figura el cual consiste en un sintetizador de forma de onda digital. Utilizando una red R / 2R es posible generar señales triangulares (en escalera) como muestra la figura en una banda de frecuencias que va de fracción de hertz hasta algunos cientos de quilohertz. Con el uso de un filtro en la salida la señal puede ser llevada a presentar una forma de onda próxima a la senoidal. El filtro puede ser simple RC para este propósito. La frecuencia es la generada por la puerta NAND, pero nada impide que esta parte del circuito sea omitida permitiendo así la operación del generador con una señal externa.




