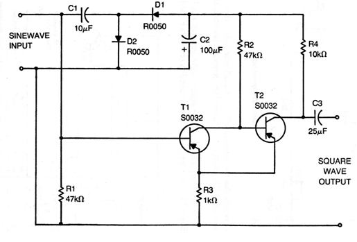
Encontramos este circuito en una documentación técnica de los años 70. Convierte señales senoidales de baja frecuencia en señales rectangulares de la misma frecuencia. Los transistores pueden ser los BC548 y los diodos son de uso general como los 1N4002 o 1N4004. La alimentación del circuito es la propia tensión de la señal sinusoidal convertida que debe ser de 5 a 12 V de amplitud. El circuito consiste en un disparador de Schmitt.

Convertidor Senoidal Para Rectangular (CIR5122S)
Encontramos este circuito en una documentación técnica de los años 70. Convierte señales senoidales de baja frecuencia en señales rectangulares de la misma frecuencia. Los transistores pueden ser los BC548 y los diodos son de uso general como los 1N4002 o 1N4004. La alimentación del circuito es la propia tensión de la señal sinusoidal convertida que debe ser de 5 a 12 V de amplitud. El circuito consiste en un disparador de Schmitt.




