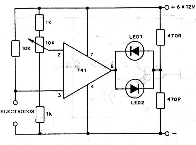
Una resistencia elevada entre los electrodos mantiene encendido e LED1, mientras que una resistencia baja entre los electrodos hace que se encienda el LED2. EI ajuste del punto de transición se hace con el potenciômetro de 10k. En lugar del sensor de humedad pueden usarse otras clases de sensores.

Detector de Humedad



