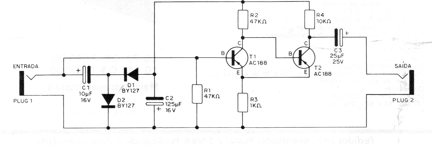
El diferencial de este circuito de 1982 es el hecho de que utiliza la propia señal de entrada para obtener la tensión continua que alimenta el paso de conversión. Con el zener de 5 V en paralelo con C2 el circuito puede funcionar como un escudo para microcontroladores, excitando entradas digitales. En este caso se debe cuidar para que la amplitud de la señal de entrada no sea mucho mayor que 5 V. Los transistores pueden ser los BC558.




