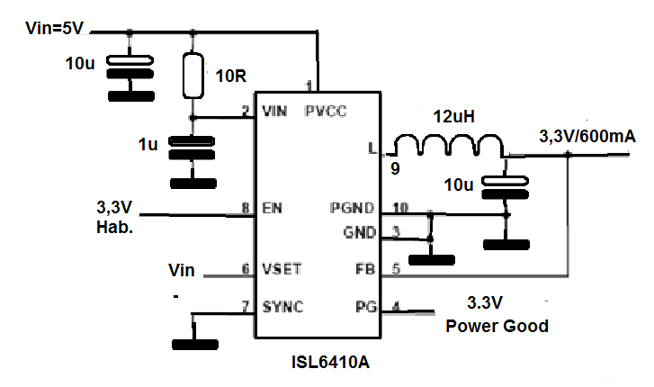
El circuito mostrado en la figura es sugerido por Intersil (www.intersil.com) y hace uso de uno ISL6410 regulador conmutado de 600 mA que tiene un FET integrado. El circuito que emplea la tecnología PWM funciona a una frecuencia de 750 kHz. El convertidor reductor (buck) que se muestra admite una variación del 10% en la tensión de entrada y la salida también puede ser programada para tensiones de 1,2 V 1,5 V o 1,8 V utilizando el ISL410) y 1,2 V, 1,8 V y 3,3 V con el ISL410A. La frecuencia también se puede ajustar a valores entre 500 kHz y 1 MHz. Recursos como UVLO (bloqueo de subtensión) y buena potencia están disponibles en este circuito. El ISL6410 circuito integrado (A) se puede obtener en cubierta MSOP de 10 pines o 16 pines QFN. Más información sobre este componente y sus aplicaciones se puede obtener en el Application Note 1209 de Intersil.




