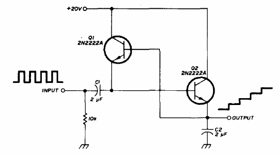
Este circuito convierte señales rectangulares en una señal en escalera. Los valores de los componentes se ajustarán para la frecuencia de la señal. Los transistores pueden ser los 2N2222. El circuito es de una documentación para radioaficionados de 1976.




