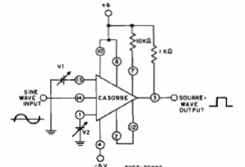
El circuito integrado utilizado en este proyecto es un comparador de tensión antiguo, ya que la configuración fue obtenida en un manual de la RCA de 1972. Se puede elaborar el mismo circuito con componentes más modernos. V1 y V2 son referencias de tensión que determinan el punto de disparo del circuito en cada semiciclo de la señal de entrada.




