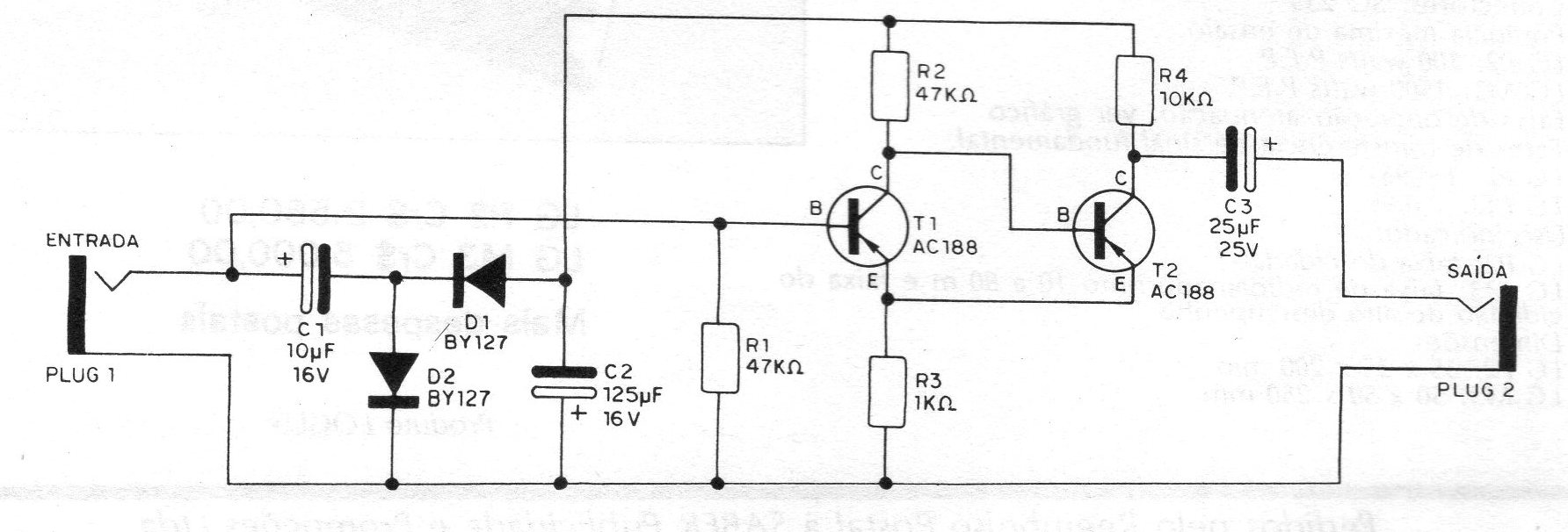
Este circuito es autoalimentado, es decir, el propio signo senoidal que debe ser convertido en cuadrado es rectificado y sirve para la alimentación del disparador con dos transistores. Evidentemente, esto significa que la señal sinusoidal de entrada debe tener una intensidad mínima requerida para el funcionamiento de los transistores. Experimentalmente pueden ser alterados componentes, especifica las resistencias, para que se obtenga el correcto funcionamiento del circuito, con la tensión sinusoidal de entrada disponible. Los transistores usados originalmente son del tipo AC188, pero equivalentes más modernos, como los BD136, pueden perfectamente ser experimentados. Los capacitores electrolíticos son de 16 V de tensión de trabajo, y los diodos son del tipo BY127 o equivalentes.




