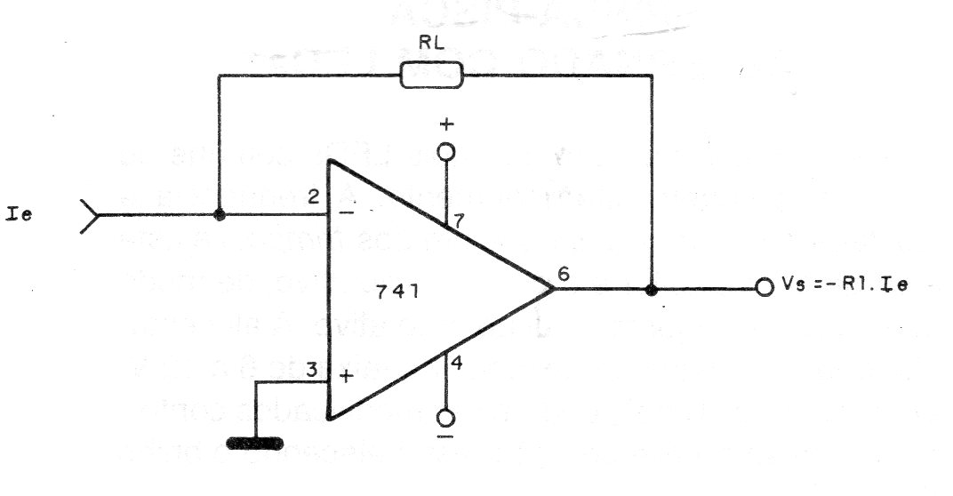
Esta configuración con el 741 aparece en otros puntos de este sitio con otros orígenes. Esta es una documentación de 1995 y se pueden utilizar otros operacionales. La fuente de alimentación debe ser simétrica de 6 a 12 V.
Este circuito es de documentación europea de los años 90. El circuito integrado utilizado no es muy...
Este circuito es de una documentación de 2004 que sirve para señales de 1 MHz a 160 MHz. La antena...
Tenemos docenas de proyectos similares en artículos y circuitos en este sitio. Esto es de Radio...