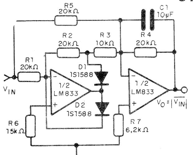
Este circuito fue encontrado en una publicación de 1992, utilizando operacionales no muy comunes actualmente. El circuito debe ser alimentado por una fuente simétrica y operativa equivalentes pueden ser empleados.

Este circuito fue encontrado en una publicación de 1992, utilizando operacionales no muy comunes actualmente. El circuito debe ser alimentado por una fuente simétrica y operativa equivalentes pueden ser empleados.
