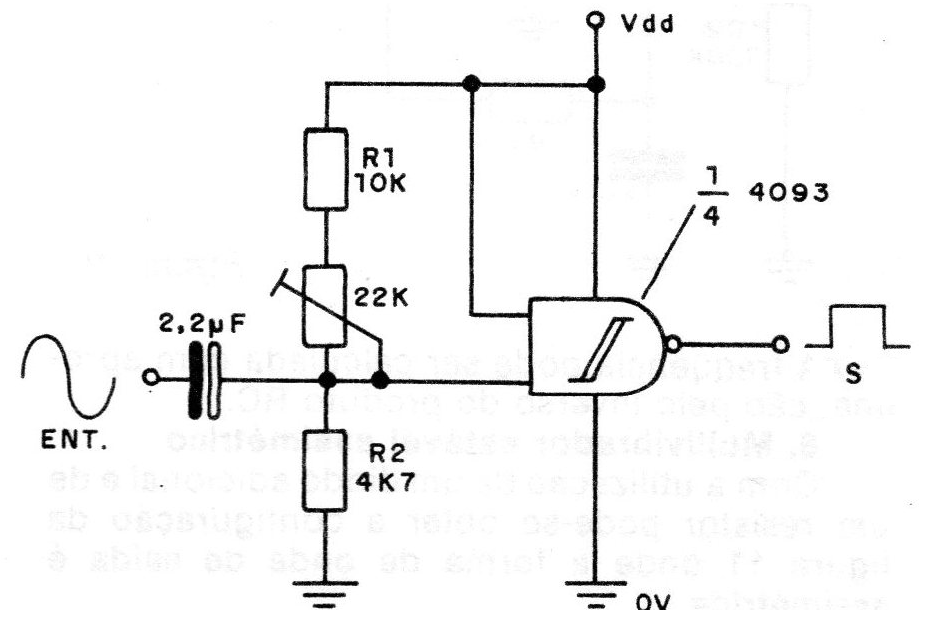
Con ayuda de un trimpot se puede llevar la tensión de entrada del Schmitt trigger al umbral de la transición lo que permite operar con señales de entrada de pequeña amplitud o bien trabajar la señal de salida cambiando su simetría en función del punto de disparo. El ajuste se hará de modo que en ausencia de señal de entrada el nivel de salida sea Hl. Este circuito se puede utilizar como shield.
.




