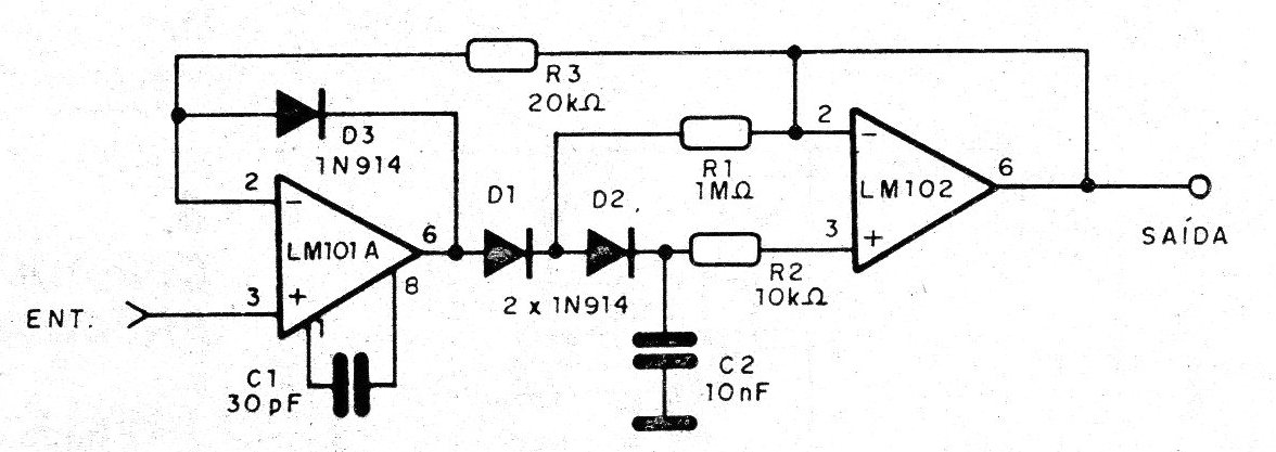
La base de este circuito está constituida por dos amplificadores operacionales del tipo LMI101A. El primer circuito funciona como un rectificador de media onda, mientras que el segundo funciona como un amplificador cuya ganancia es dada por R7 y R3 básicamente. El capacitor C3 se utiliza en los casos en que se desea realizar la operación del circuito rápido, sin necesidad de filtros. Observe la necesidad de resistores de precisión de este circuito.




