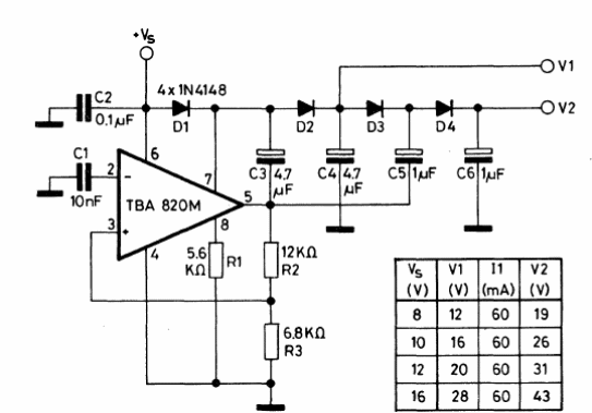
Datasheet of ncontramos este circuito en el manual de circuitos integrados lineales de la SGS de 1982. A | la tabla da las tensiones obtenidas, recordando que la corriente de salida es baja. El circuito puede ser alimentado por tensiones de 8 a 16 V con salidas de 19 a 43 V.
Con la configuración de la figura 1 es posible aumentar la corriente de salida de una fuente con...
Si usted tiene un equipo portátil que opera con 6 V y desea utilizarlo en el coche o conectarlo a una...
El circuito mostrado en la figura 1 es una protección del tipo "Crow Bar" en la que el disparo...