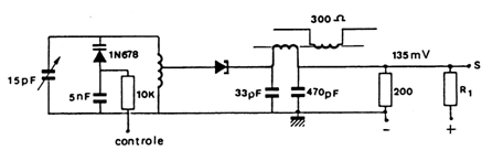
Los circuitos resonantes de este circuito dependen de las frecuencias de las señales que deben ser trabajadas. El diodo túnel puede ser de cualquier tipo y la alimentación hecha con fuente de muy baja tensión, según este tipo de componente requiere.

Los circuitos resonantes de este circuito dependen de las frecuencias de las señales que deben ser trabajadas. El diodo túnel puede ser de cualquier tipo y la alimentación hecha con fuente de muy baja tensión, según este tipo de componente requiere.
