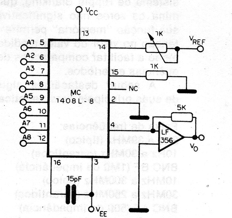
Este shield convertidor digital / analógico es sugerido por MOTOROLA y se basa en un amplificador operacional con transistores de efecto de campo en la entrada. El potenciómetro R14 debe ajustarse de tal manera que, en función de la tensión de referencia y con todas las entradas en el nivel HI, se debe tener una tensión de 9,961V en la salida del operario. Esto tiene en cuenta un valor de Ro de 5k y una tensión de referencia de 2V.




