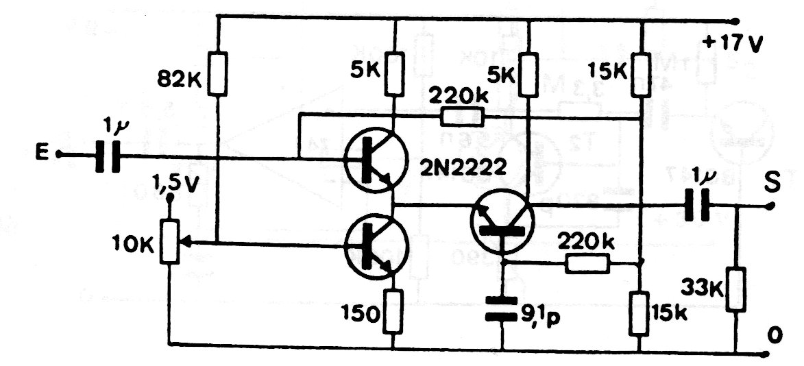
Este control de volumen por tensión continua permite el uso de un potenciómetro remoto para controlar el volumen de un equipo de audio. El circuito es de una documentación de los años 70 y la alimentación puede ser retirada del propio amplificador con el que debe funcionar.




