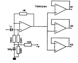
La finalidad de este circuito, que aparece en otros puntos de este sitio, es distribuir una señal de audio para la entrada de diversos amplificadores. El circuito integrado puede ser el TL084. Los cables de señal deben ser blindados. La ganancia es dada por el resistor de 1 M ohm que puede ser alterado.




