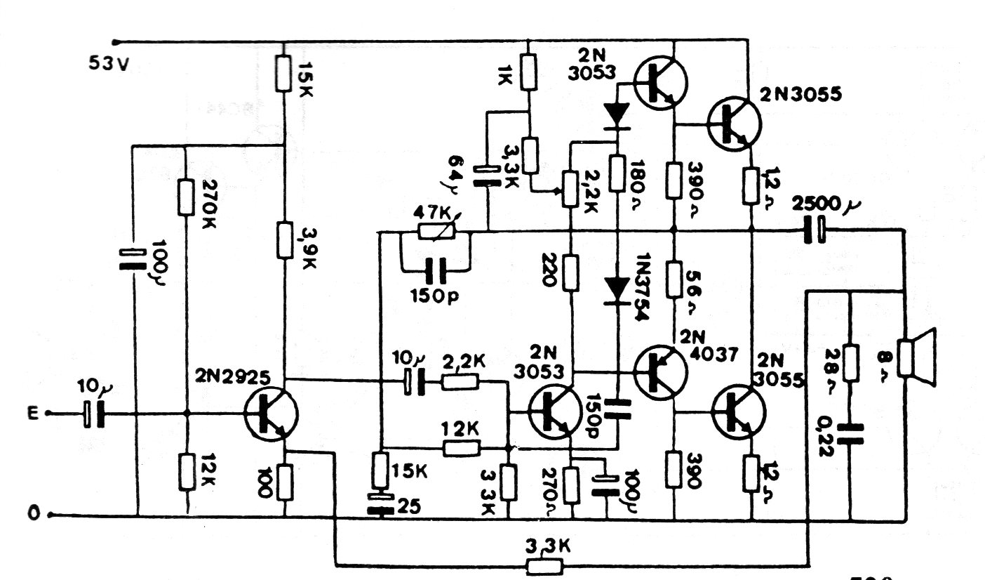
Encontramos esta configuración en simetría complementaria en una documentación de los años 80. Los transistores, poco comunes actualmente, deben ser sustituidos por equivalentes con especial atención a las especificaciones de tensión. El circuito tiene 20 dB de ganancia y una resistencia de entrada de 2k2. Observe la alta tensión de alimentación.




