)
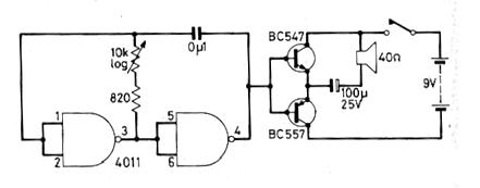
Este circuito apareció en una Practical Electronics de noviembre de 1982. La revista ya no existe, pero el circuito es viable pues todos los componentes son comunes. El circuito está indicado para la práctica de la telegrafía y en realidad puede ser alimentado por tensiones de 5 a 9 V. El altavoz puede ser de 8 ohmios, con un poco menos de rendimiento. La alimentación del CI se hace con el positivo en el pino 14 y el negativo en el perno 7. El potenciómetro ajusta la frecuencia del sonido producido.




