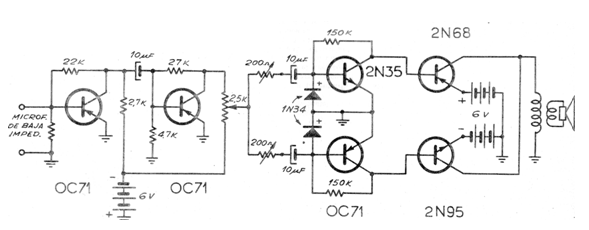
Encontramos este amplificador de 4 W en una antigua publicación argentina de los años 70. El circuito puede ser elaborado con transistores de potencia más modernos como los TIP31 y TIP 32 en la salida y BD135 y BD136 como controladores, pero los transformadores son elementos críticos en el proyecto. Si se utiliza fuente, debe ser simétrica de 6 + 6 V en lugar de dos baterías, Para el sector de preamplificación se pueden utilizar pilas comunes, ya que el consumo de esta etapa es bajo.




