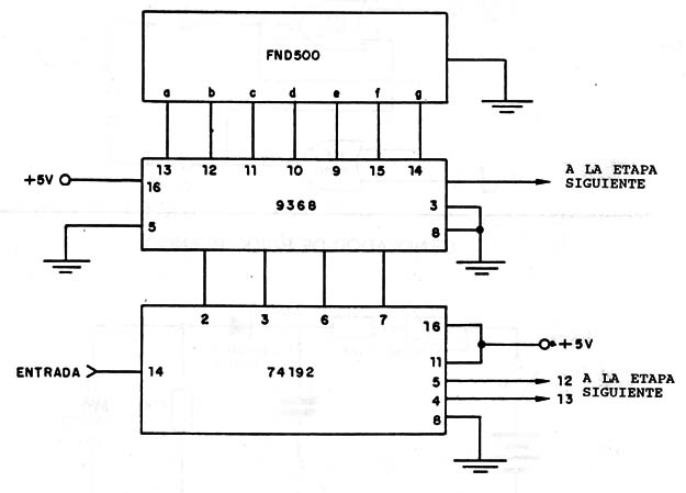
Este circuito contador se proyectó para displays de 7 segmentos con cátodo común como el FND500. La alimentación es de 5V pues se trata de la lógica TTL y puede conectarse a etapas semejantes.

Contador y Decodificador
Este circuito contador se proyectó para displays de 7 segmentos con cátodo común como el FND500. La alimentación es de 5V pues se trata de la lógica TTL y puede conectarse a etapas semejantes.
