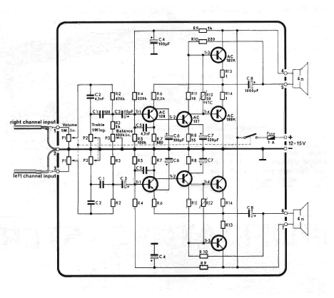
Este amplificador de 2,5 + 2,5 W fue obtenido de una revista Sperimentare (italiana) de 1975; El circuito utiliza transistores de germanio que hoy en día son difíciles de obtener, pero la configuración puede ser cambiada para operar con transistores más modernos.




