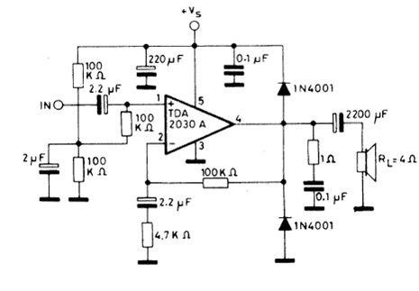
Con 4 ohms y alimentación de 18 V simétrica este amplificador proporciona una potencia de 18 V. El circuito funciona también con tensiones menores. Encontramos esta configuración en el manual de circuitos integrados lineales de la SGS de 1982.

Con 4 ohms y alimentación de 18 V simétrica este amplificador proporciona una potencia de 18 V. El circuito funciona también con tensiones menores. Encontramos esta configuración en el manual de circuitos integrados lineales de la SGS de 1982.
