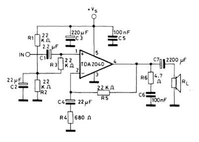
Este amplificador es la versión del TDA2040 con fuente simple de 16 V. El circuito integrado debe estar dotado de disipador y la carga es de 4 ohmios. El circuito es del manual de circuitos integrados lineales de la SGS.


Este amplificador es la versión del TDA2040 con fuente simple de 16 V. El circuito integrado debe estar dotado de disipador y la carga es de 4 ohmios. El circuito es del manual de circuitos integrados lineales de la SGS.

